
LF16 直流热水锅炉
2018-02-05 文章来源:创始人 点击数:1932

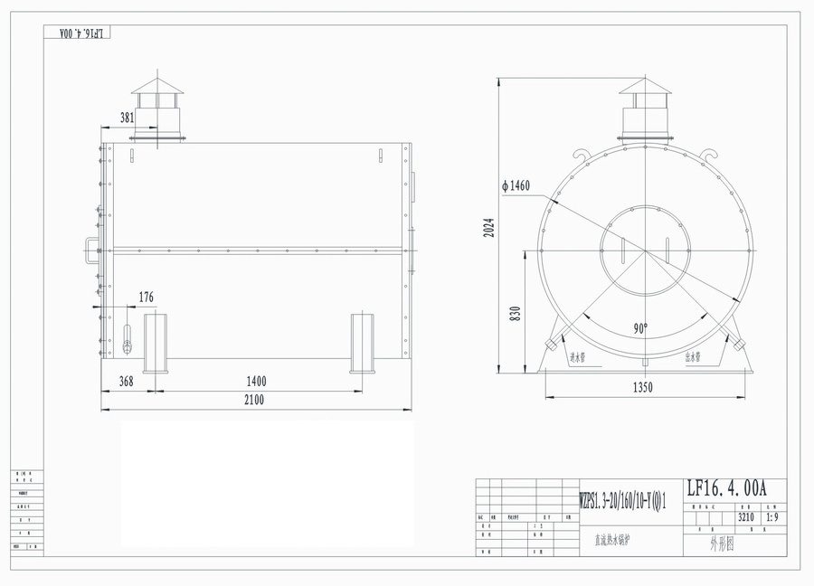
主要技术参数:
锅炉型号:WZPS1.3-20/160/10-Y(Q)1 直流热水锅炉
额定功率:1.3MW/小时
最高工作压力:20Mpa
最高工作温度:160度
产品图号:LF16.4.00A
产品净重:3210Kg
盘管规格/材质:φ42X5/20G
锅炉效率:93.18%
能效测试报告编号:GN2017-101-005

上一篇: LFZ20 直流热水锅炉
下一篇: LF326 直流热水锅炉