
LFZ20 直流热水锅炉
2018-01-15 文章来源:创始人 点击数:1877

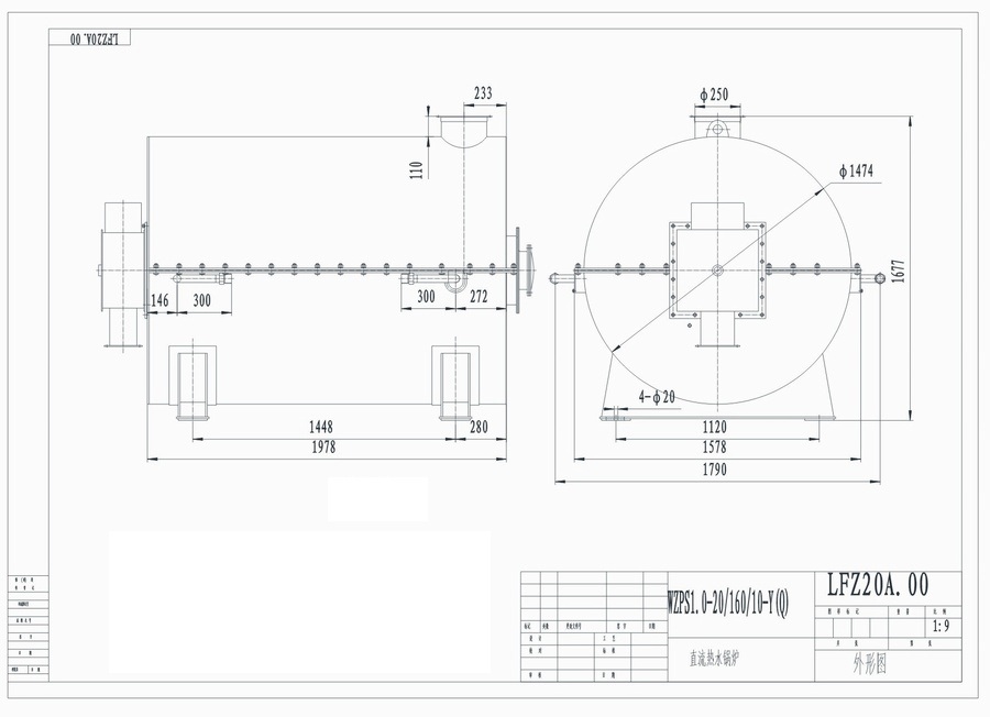
主要技术参数:
锅炉型号:WZPS1.0-20/160/10-Y(Q) 直流热水锅炉
额定功率:1.0MW/小时
最高工作压力:20Mpa
最高工作温度:160度
产品图号:LFZ20A.00
产品净重:2860Kg
盘管规格/材质:φ42X5/20G
锅炉效率:90.48%
能效测试报告编号:GN2015-53-00016

上一篇: 返回列表
下一篇: LF16 直流热水锅炉