
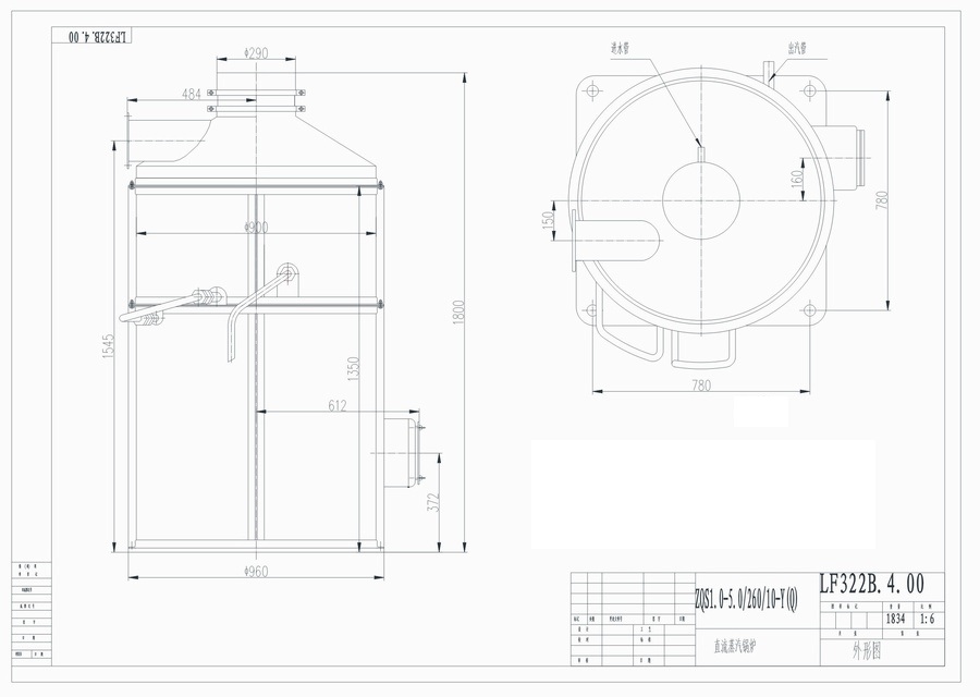
LF322B 直流蒸汽锅炉
2018-02-05 文章来源:创始人 点击数:1954

主要技术参数:
锅炉型号:ZQS1.0-5.0/260-Y(Q)1 直流蒸汽锅炉
产汽量:1方/小时
最高工作压力:5Mpa
最高工作温度:180度
产品图号:LF322B.4.00A
产品净重:1234Kg
盘管规格/材质:φ35X3.5、φ25X3/10
锅炉效率:93.28%
能效测试报告编号:GN2017-101-009

上一篇: LF220 直流蒸汽锅炉
下一篇: LF60 直流蒸汽锅炉